QQ登录    

08我家网

2023兔年大吉

天天向上现代简约小三房

  [复制链接]

36

帖子

0

原创值

45

金币

大二_装修学长

Rank: 2

积分
23

社区居民

发表于 2013-11-01 16:11:43 | 显示全部楼层
我也打算装修现代风格的~~借鉴学习学习下!
回复

使用道具 举报

1万

帖子

628

原创值

1万

金币

荣誉版主

积分
8155

社区居民忠实会员社区劳模最爱沙发社区明星

发表于 2013-11-01 17:40:31 | 显示全部楼层
泉水叮咚77,芹菜来邀请你参加日记下半年入围赛   看好你哦!加油!冲出预赛,冲进决赛!赶快去跟帖报名参加吧。
入围赛报名链接:http://www.08wojia.com/thread-71519-1-1.html
回复

使用道具 举报

424

帖子

0

原创值

785

金币

大四_装修达人

Rank: 4

积分
380

社区居民忠实会员社区劳模

 楼主| 发表于 2013-11-03 22:57:58 | 显示全部楼层
本帖最后由 泉水叮咚77 于 2013-11-4 23:29 编辑

用solidworks画的华丽丽的橱柜图-秒杀橱柜公司设计图
    我家厨房超小,不到4个平方,买的时候没介意它小,用句同事的俗话就是:一边是饭店,一边是酒店。那时的想法是这边家里可能也不会怎么做饭,主要还是会和父母一起。按大小我们这橱柜做L型就差不多了,但是我不甘心哪。我还是想自己做做饭,烤烤点心什么的,我希望自己家里的柜子可以给我放各种各样的东西,且我还计划买个烤箱给崽崽做做饼干、蛋糕、酸奶之类的,台面也要有足够的空间。于是商量着看能否做个U型柜,大概算了下尺寸,觉得理论上可行,与老公两个人就一个柜子一个柜子的讨论要怎么做。看了橱柜公司的设计图,参考了台面高度、吊柜高度等尺寸,同时也根据实际使用,进行了比较大的改动。        关于橱柜设计,先前心里也在无数次构思着需要什么,都会有哪些东西,要放在哪里。
    设计了U型橱柜,又在嘉宝看了一款稍满意的橱柜后,为了更好地查看整体效果,老公勤快地用solidworks软件画出来。之前他已经用这款软件给我这个立体感不强的老婆展示他花了一个下午设计出来的吊顶立面图。
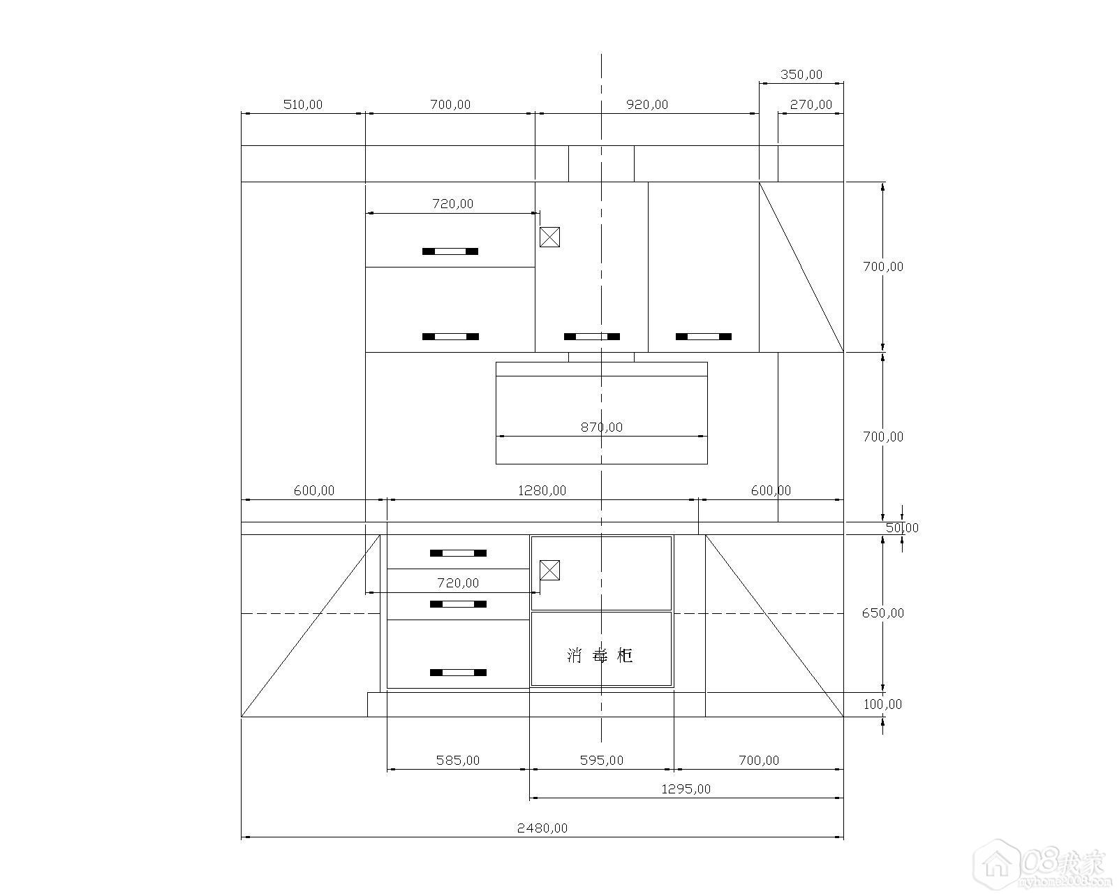
   用solidworks画的橱柜立体图,可以全方位展示橱柜设计效果。
    呵,别看图简单,也花了一晚上,橱柜的每一尺寸,包括电器的尺寸,怎么摆放都是经过多次测量的。已经发给橱柜设计师,让他这个专业人士看看是否在结构上可以支持
   主要是我为了省点钱,在买踢脚线的地方还买了些杂砖贴在橱柜后面,这个图同时包括了瓷砖铺贴示意贴
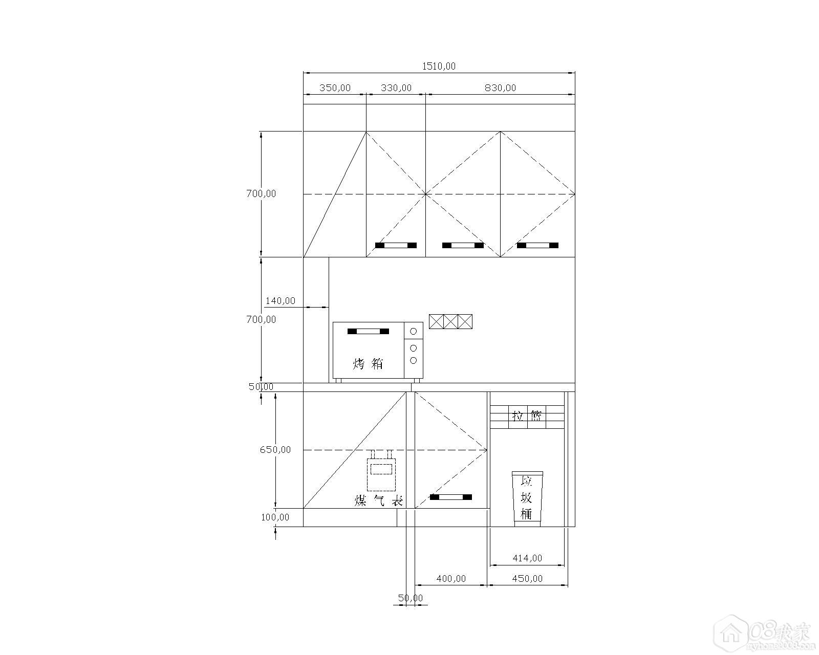
    进门正视图 :左边是窗户水槽,中间是烟机、灶,后侧是放置烤箱,电饭煲等的柜面区

                 我们选的橱柜是嘉宝的红色爱琴海系列,瓷砖是浅灰色的
5.JPG


100%正面直视图:需要与亿诺确认下,烟机这样的高度及设计是否可行,关系到上面的吊柜设计
                消毒柜、烟机、灶是靠右侧的,这个也是经过多重考虑的,不然就只能像下面橱柜公司的设计图一样,地柜分成3份,显得好满,柜子小又不实用;而这样设计后,增加的实用的3个抽屉,增加台面的切配区
零件1.JPG


右侧柜:注意没,最右边一截地柜是留空的,用来做开方式的拉蓝及放垃圾桶
零件3.JPG


水槽柜及烟道
零件4.JPG


导到cad的平面图,显示详细尺
正面.jpg



右侧.jpg


下面是原来橱柜公司给的初稿图,可以对比橱柜正柜的布局优劣
橱柜公司这样设计,显得很挤,并且实用的柜子空间没多少,即不美观又不实用
天天向上5-2815-Model.jpg31.jpg






回复

使用道具 举报

1万

帖子

628

原创值

1万

金币

荣誉版主

积分
8155

社区居民忠实会员社区劳模最爱沙发社区明星

发表于 2013-11-06 18:42:30 | 显示全部楼层
亲,再次热情邀请你来参加日记大赛哦。
日记大赛报名时间短暂,要抓紧时间去报名哦。
年赛大奖多多,土豪金等着你们!

【2013都芳杯日记大赛】半年入围赛开战;小伙伴们突围!!
http://www.08wojia.com/forum.php ... 9&fromuid=50788
回复

使用道具 举报

1万

帖子

628

原创值

1万

金币

荣誉版主

积分
8155

社区居民忠实会员社区劳模最爱沙发社区明星

发表于 2013-11-06 18:43:57 | 显示全部楼层
泉水叮咚77 发表于 2013-11-3 22:57
用solidworks画的华丽丽的橱柜图-秒杀橱柜公司设计图
    我家厨房超小,不到4个平方,买的时候没介意它 ...

亲太强悍了,这画出来后,估计好多的橱柜公司的设计师该自惭形秽了
回复

使用道具 举报

2707

帖子

0

原创值

2656

金币

装修大学_博士生

Rank: 6Rank: 6

积分
2577

社区居民忠实会员社区劳模最爱沙发社区明星

发表于 2013-11-06 18:46:03 | 显示全部楼层
泉水叮咚77 发表于 2013-11-3 22:57
用solidworks画的华丽丽的橱柜图-秒杀橱柜公司设计图
    我家厨房超小,不到4个平方,买的时候没介意它 ...

这也太厉害了,泉水叮咚弄个solidworks教程吧,哈哈!
赞就一个字!
回复

使用道具 举报

993

帖子

0

原创值

1031

金币

装修大学_研究生

Rank: 5Rank: 5

积分
519

忠实会员社区居民最爱沙发原创先锋奖新人进步奖贴图大师奖

发表于 2013-11-06 22:21:51 | 显示全部楼层
看看
回复

使用道具 举报

57

帖子

0

原创值

124

金币

大二_装修学长

Rank: 2

积分
29
发表于 2013-11-06 23:27:28 | 显示全部楼层
回复

使用道具 举报

157

帖子

0

原创值

593

金币

大三_装修里手

Rank: 3Rank: 3

积分
115

社区居民忠实会员

发表于 2013-11-07 16:56:22 | 显示全部楼层
LZ户型不错哦
回复

使用道具 举报

2622

帖子

0

原创值

4504

金币

装修大学_博士生

Rank: 6Rank: 6

积分
2306

社区居民忠实会员新人进步奖社区明星社区劳模最爱沙发

发表于 2013-11-07 17:38:41 | 显示全部楼层
泉水叮咚77 发表于 2013-11-3 22:57
用solidworks画的华丽丽的橱柜图-秒杀橱柜公司设计图
    我家厨房超小,不到4个平方,买的时候没介意它 ...

亲爱的,好棒!
回复

使用道具 举报

您需要登录后才可以回帖 登录 | 立即注册

本版积分规则