QQ登录    

08我家网

2023兔年大吉

<装修新锐就是我>(散包)环保舒适之混搭风--我的跨年度装修,毕业照会有的

[复制链接]

643

帖子

0

原创值

285

金币

装修大学_研究生

幸福的乐价比

Rank: 5Rank: 5

积分
571

社区居民

 楼主| 发表于 2012-10-18 22:59:26 | 显示全部楼层
原来上的图都不见了,今天再上几张图看看 主卧阳台外景.jpg
阁楼窗外风景1.jpg
回复

使用道具 举报

643

帖子

0

原创值

285

金币

装修大学_研究生

幸福的乐价比

Rank: 5Rank: 5

积分
571

社区居民

 楼主| 发表于 2012-10-18 23:02:28 | 显示全部楼层
我家客厅飘窗最初的样子 最初的客厅飘窗.jpg
回复

使用道具 举报

643

帖子

0

原创值

285

金币

装修大学_研究生

幸福的乐价比

Rank: 5Rank: 5

积分
571

社区居民

 楼主| 发表于 2012-10-18 23:04:30 | 显示全部楼层
从砸掉一半的客厅飘窗下看风景.jpg
被砸掉一半的客厅飘窗。这里还得重新砌起来。由原来的宽92,改成50。客厅的长度就增加了40CM。
回复

使用道具 举报

643

帖子

0

原创值

285

金币

装修大学_研究生

幸福的乐价比

Rank: 5Rank: 5

积分
571

社区居民

 楼主| 发表于 2012-10-18 23:25:00 | 显示全部楼层
今天沈杰帅哥又来定和室水电位,忙到快十二点了,还要到另一家去。我们小区有三家做大唐印象和室的,我拿出了书房,让他发挥,非常期待最后的效果。
在美美的鱼的日记里看到她也和我一样,每天都是睡得很少,早早醒来,就是做梦也尽是关于装修的。


阁楼上的墙都粉涮完了,师傅说下午阁楼找平,我要他尽量搞薄点,他说,不能少于2公分,太薄会起壳。我也不知道有没有最低标准,只是从房子的实际出发,一是薄点,少占点的层高;二是这非电梯房,要多花好多材料上楼钱,做预算时,这点我没有考虑进去。现在光出砸墙的垃圾运费,就多出了上千元,还好,我家装修师傅为我考虑,用袋子装好,从楼上丢了一部分,真要一担一担算,还得多出一倍。二十口小红砖上五楼,就是五块钱,不管担什么,五块钱一担,没得价讲。

明天一早去看阁楼了。
回复

使用道具 举报

643

帖子

0

原创值

285

金币

装修大学_研究生

幸福的乐价比

Rank: 5Rank: 5

积分
571

社区居民

 楼主| 发表于 2012-10-20 22:59:43 | 显示全部楼层
阁楼找平了,可水电师傅说:怎么没说声就找平了?所有管线都得从顶上走了!言下之意阁楼顶都是整体铸制的,走线凿槽不容易。
“从墙上走或从墙外走不行吗?”阁楼四边的墙都是临时砌的,外面有检修通道,沿墙走管线只是多费点材料。“实在不行就凿吧”水电师傅没多说了。
 泥工明天回乡下收稻子,说要五六天时间,我正好利用这几天把水电做了,把瓷砖买回来。
 要不要换弱电箱?阿荣说的有必要。在网上淘怕来不及,翻下以前的装修笔记找找看。
回复

使用道具 举报

643

帖子

0

原创值

285

金币

装修大学_研究生

幸福的乐价比

Rank: 5Rank: 5

积分
571

社区居民

 楼主| 发表于 2012-10-23 19:32:53 | 显示全部楼层
  连续好几天都不知忙些什么了,只知道每天就是事多。房子里也是好几天没去了,日记也没写。

  昨天水电是正式入场了,用什么水管,电线等等,我一概不清楚,反正交给黎、付两师傅,当时决定请他们做也是因为对他们俩做的事放心,除了有亲戚这层关系外,更重要的是他们俩的人品好,不管做什么事,他们都很负责,也很替别人着想。唯一的不足是他们没有在哪一个装修公司做过,只是常利用业余时间到别人承包的项目里赚点汗水钱。
  这次我把家交给他俩,他们说按照他们的做法,原来能利用的尽量利用,需改造的绝不马虎,费用只会比专业公司的少,水电这一块保证三十年不出问题。有他们这句话,我还说什么呢?!
回复

使用道具 举报

643

帖子

0

原创值

285

金币

装修大学_研究生

幸福的乐价比

Rank: 5Rank: 5

积分
571

社区居民

 楼主| 发表于 2012-10-23 20:48:36 | 显示全部楼层
厨柜平面和水电图出来了。我的心却还纠结在厨房是做成开放式亦或封闭式上 橱柜平面图 (10月21日).jpg
橱柜水电图(10月21日).jpg
回复

使用道具 举报

7

帖子

0

原创值

0

金币

大一_装修新生

Rank: 1

积分
5

社区居民

发表于 2012-10-24 12:33:24 | 显示全部楼层
学习,支持--!
回复

使用道具 举报

643

帖子

0

原创值

285

金币

装修大学_研究生

幸福的乐价比

Rank: 5Rank: 5

积分
571

社区居民

 楼主| 发表于 2012-10-24 22:05:34 | 显示全部楼层

回 127楼(csjhb) 的帖子

互相学习。多谢支持
回复

使用道具 举报

643

帖子

0

原创值

285

金币

装修大学_研究生

幸福的乐价比

Rank: 5Rank: 5

积分
571

社区居民

 楼主| 发表于 2012-10-24 22:15:56 | 显示全部楼层
 今天下午4点后终于抽时间去了“工地”(这几天与同事们聊装修,大家都称工地。因为我们的外部环境和内部一样乱,大大小小从处到内都是施工现场)。
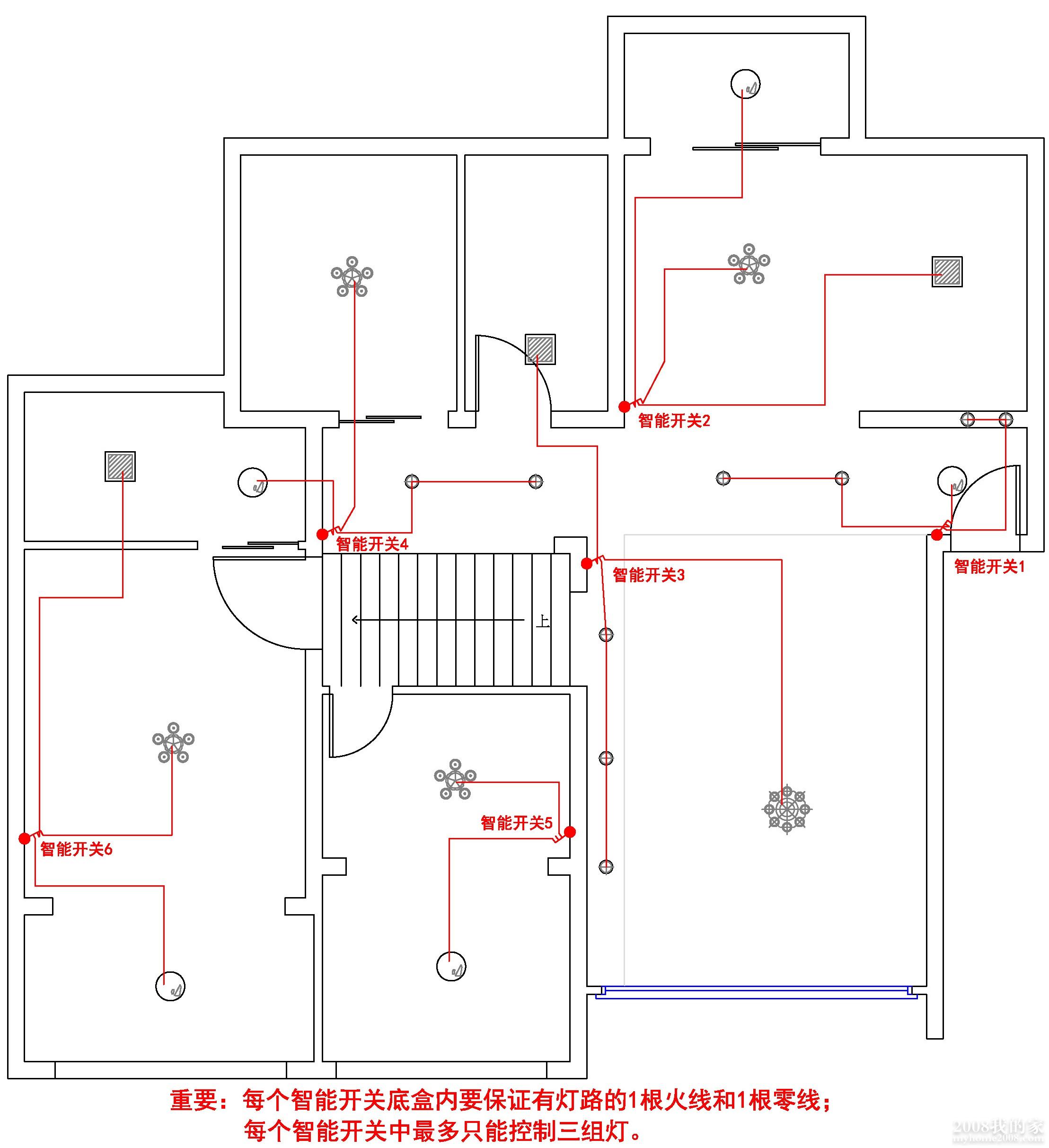
 智沃的伍总去了我家,说我把不改动的面板换了地方,可能是当里沟通不到位,有的确实要改动,比如次卧房间的智能开关他按正常的床位安装,我把床从东西向变成了南北向了。其他如灯的变化也是,或加或减或移位,这是事前没想到的。
 晚上回后,我水电师傅一块,就家里的灯再商量了好一会,最后又把灯的位置列了一个表发给了伍总,让他头痛去。

把原来他设计的智能面板及灯位图发上来。下次发改变了的,两个对照下,今后也有个比较。

智能开关布置图A Model (1).jpg
智能开关布置图B Model (1).jpg



 
回复

使用道具 举报

您需要登录后才可以回帖 登录 | 立即注册

本版积分规则